We are prominant S type loadcell manfacturer and supplier in Mumbai, India. Ultra Precision Strain Gage based'S'-beam Load Cell is versatile, compact and rugged. It is used for tension measurements, tensile testing, weighing, industrial automation and research application. It is universal Load Cell suitable for both-tension and compression modes.
As a renowed and leading S Type Load Cell manufacturer, supplier and dealer in India we have supply and manufacture S Type Load Load Cell in various cities and states of India such as, Mumbai, Pune, Nagpur, Gujarat, Hyderabad, Ahmedabad, Vadodara, Surat, New Delhi, Bangalore, Andhra Pradesh, etc. and exporting other countries like Malaysia, China, Korea and Soudi Arabia.
| Red | Excitation + |
| Black | Excitation - |
| Green | Signal + |
| Yellow | Signal - |
20 Kgf. to 20000 Kgf. Capacities available
High Alloy Tool Steel construction for resistance against shock and overload
Complete Environmental Protection-Ip67 class
Standardised output (3.0 ± 0.25%)available on request
Conversion of Mechanical Scale to Electronic
Tank,Hopper & BagWeighing
Hanging Scale & CraneScale
Force Measurement-Tension & or Compression
Dynamometer
Industrial Automation
| PERFORMANCE SPECIFICATION | |
|---|---|
| Standard Capacities (Kgf.) | 20,30,50,75,100,150,200,250,300,500,750 |
| (Tf) | 1,1.5,2,2.5,3,5,7.5,10,15,20 |
| Excitation Voltage | 10 VDC - Maximum 15 VDC |
| Nominal Output | 3.0 mV/V |
| Non - Linearity | < ± 0.025% FSO (Full Scale Output) |
| Hysteresis | < ± 0.02% FSO |
| Non-Repeatability | < ± 0.01% FSO |
| Creep (30 minutes) | < ± 0.03% FSO |
| Zero Balance | ± 1.0% FSO |
| Input Resistance | 392 ± 15 Ohms |
| Output Resistance | 350 ± 3 Ohms |
| Insulation Resistance | > 1000 Mega Ohms at 50 VDc |
| Safe Overload | 150% of Rated Capacity |
| Ultimate Overload | 250% of Rated Capacity |
| Allowable Side Load | 50% of Rated Capacity |
| Temperature Compensated Range | 0-600C |
| Temperature Effect on Output | < 0.0015% FSO/0C |
| Temperature Effect on Zero | < 0.0020% FSO/0C |
| Deflection | <0.5 mm at FSO |
| Tightening Torque | Please refer table on back page |
| Finish & Construction | Electroless Nickel Plated Tool Steel |
| Environmental Protection Class | IP67 |
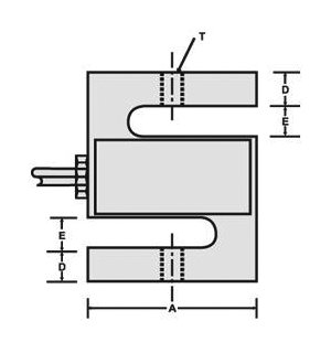
| CAPACITY Tf. | A | B (max) | b | C | T | D | E | Torque m.kg. | Cable Lenght Mtrs. |
|---|---|---|---|---|---|---|---|---|---|
| 20 to 100 | 50 | 20 | 12.5 | 62 | M6*1.00 | 10 | 9 | 0.25 | 5 |
| 150 to 1000 | 50 | 25 | 19 | 62 | M12*1.25 | 10 | 9 | 0.50 | 5 |
| 1500 to 3000 | 75 | 33 | 27 | 100 | M20*1.50 | 17 | 9 | 2.00 | 5 |
| 5000 to 7500 | 90 | 40 | 32 | 140 | M24*2.00 | 25 | 9 | 9.00 | 10 |
| 10000 | 112 | 52 | 45 | 175 | M30*2.00 | 40 | 13 | 10.00 | 20 |
| 15000 to 20000 | 150 | 72 | 65 | 250 | M36*3.00 | 60 | 13 | 12.00 | 20 |
ALL DIMENSIONS ARE IN MM