50210/50310 is miniature round bending beam load Cell
This is available in two different sizes to meet vide industrial requirements
It is hermetically sealed with S.S. bellow for IP68 protection class
| Red | Excitation + |
| Black | Excitation - |
| Green | Signal + |
| Yellow | Signal - |
Available in two sizes
10 kgf. to 500 kgf. capacities
Low profile
Environmentally protected with S. S. Bellow
Stainless Steel construction 17-4 PH
IP68 environmental protection
Floor Scales
Bench Scales
Tank & Hopper Weighing
Auto Bagging Machine
Batching & Packaging Machine
| PERFORMANCE SPECIFICATION | |
|---|---|
| Standard Capacities (Kgf.) | 50210 : 10,20,40,50,75,100,150,200 50310 : 10,20,50,100,200,500 |
| Excitation Voltage | 10 VDC - Maximum 15 VDC |
| Nominal Output | 2.0 mV/V (Normal) |
| Non - Linearity | < ± 0.025 % FSO (Full Scale Output) |
| Hysteresis | < ± 0.02 % FSO |
| Non-Repeatability | < ± 0.01 % FSO |
| Creep (30 minutes) | < ± 0.03 % FSO |
| Zero Balance | ± 1.0 % FSO |
| Input Resistance | 370 Ohms (Normal) |
| Output Resistance | 350 Ohms |
| Insulation Resistance | > 1000 Mega Ohms at 50 V DC |
| Safe Overload | 150 % of Rated Capacity |
| Temp. Compensated Range | 0-60 0C |
| Temp. Effect on Output | < 0.0015 % FSO/ 0C |
| Temp. Effect on Zero | < 0.0020 % FSO/ 0C |
| Deflection | < 0.5 mm at FSO |
| Material of Construction | Stainless Steel -17-4 PH |
| Environmental Protection Class | IP68 |
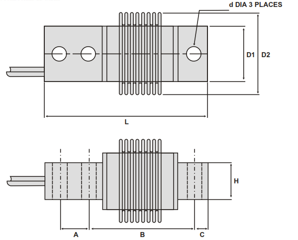
| Type | A | B | C | d | D1 | D2 | H | L |
|---|---|---|---|---|---|---|---|---|
| 50210 | 12.5 | 46 | 6 | 6.4 | 25 | 36 | 16 | 71 |
| 50310 | 18 | 82 | 10 | 8.2 | 29.5 | 45 | 20 | 120 |
All dimensions are in mm.